凯发k8

English 凯发k8集团企业邮箱

第十二节 烧伤湿性医疗手艺对创面水分蒸发量影响的实验研究

作者:中国中西医连系学会烧伤专业委员会 出书社:中国医药科技出书社 刊行日期:2000年6月

[摘要] 接纳家兔深II度烧伤模子,,,,以自然干燥及凡士林为比照,,,,视察MEBT对烧伤创面水分蒸发量的影响。。。。效果批注,,,,MEBT能有用地阻止烧伤创面水分蒸发,,,,镌汰体液丧失。。。。早期利于烧伤的休克苏醒,,,,液化期可以避免高张性脱水,,,,修复期则为烧伤创面的再生修复提供了近似于心理的情形。。。。

[要害词] MEBT 烧伤创面 蒸发

由于烧伤创面不显性失水造成的体液丧失,,,,是导致烧伤休克爆发与生长的主要因素之一。。。。本实验通过对家兔相同烧伤深度、差别治疗要领的创面蒸发量举行一连视察,,,,研究湿润袒露疗法(MEBT)对烧伤创面水分蒸发量的影响纪律及意义。。。。

材 料 与 设 计

1. 本实验是在第十节的基础上进一步设计而完成的。。。。所用器材、动物烧伤模子的制作及实验情形条件均同第十节。。。。

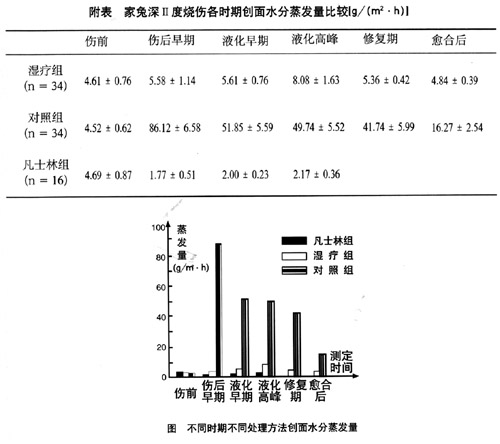
2. 实验共制作家兔深Ⅱ度烧伤创面84处,,,,随机抽取34处接纳MEBT治疗(湿疗组),,,,再抽取34处袒露自然干燥(比照组),,,,其余16处创面涂凡士林(凡士林组)。。。。详细要领为:湿疗组严酷按MEBT的用药原则治疗,,,,涂药厚度为1mm。。。。早期及修复期6~8h换药一次,,,,液化期4h换药一次,,,,做到创面始终有药物供应;;;;;比照组伤后袒露自然干燥;;;;;凡士林组涂药厚度实时间距离同湿疗组。。。。

3. 以湿疗组创面转变为基准,,,,将蒸发量测定的时相点设定为伤前、伤后早期(伤后8h内)、液化早期、液化岑岭期、修复期及愈合后。。。。数据测取均要求在涂药后2~3h药物温化并匀称笼罩创面时举行。。。。

实 验 结 果

烧伤后,,,,比照组创面水分蒸发量大幅度增添,,,,可达正常皮肤的19倍,,,,伤后6~8h以后呈逐渐下降趋势,,,,直至创面愈合以后其水分蒸发量始终未降到伤前正常皮肤的水平。。。。湿疗组创面水分蒸发量在伤后也连忙增高,,,,但显着低于比照组,,,,在早期约为比照组的1/16;;;;;以后,,,,随液化反应的增强,其创面水分蒸发量也随之上升,,,,液化岑岭时其蒸发量也达岑岭,,,,此后逐渐下降;;;;;修复期蒸发量与受伤早期无显着差别(P>0.05);;;;;创面愈合后水分蒸发量基本恢复至伤前正常皮肤的水平。。。。凡士林组的创面水分蒸发量则始终维持在一个较量恒定的低水平上;;;;;进入修复期后,,,,由于大部分创面爆发熏染,,,,蒸发量未进一步监测。。。。见附表。。。。

讨 论

皮肤是人体或动物体最大、最主要的是器官之一,,,,是机体主要的保唬;;;つ,,,,一旦爆发烧伤,,,,这种保唬;;;つさ墓πг獾狡扑,,,,其阻止体内水分蒸发功效也随之损失。。。。本实验从创面体液丧失的角度对MEBT举行研究,,,,效果批注,,,,MEBT对烧伤创面水分蒸发量的影响在整个创面修复历程中不但保存一定的纪律,,,,并且各有其特殊的意义。。。。

1.早期 烧伤早期创面一个很是主要的病理转变是毛细血管壁通透性增高,,,,使含富厚卵白质及电解质的体液大宗丧失,,,,有用循环血量下降,,,,引起休克。。。。

毛细血管通透性增高渗透的体液,,,,一部分进入到细胞间隙(第三间隙),,,,造成组织水肿;;;;;另一部分则从创面以渗透和不显性水分蒸发的形式丧失。。。。现在尚没有更好的要领来阻止烧伤后毛细血管的渗透。。。。因此,,,,若是能有用地阻止由创面引起的体液丧失,,,,对减轻烧伤休克水平、降低休克爆发率也具有十分主要的意义。。。。

从本实验获得的数据来看,,,,MEBO与凡士林均能有用地阻止创面水分蒸发,,,,MEBO阻止创面水分蒸发的能力与正常皮肤很是靠近,,,,在早期为正常皮肤的1.19倍;;;;;而凡士林这一作用则显得“过强”,,,,数据显示其阻止创面水分蒸发的能力凌驾正常皮肤;;;;;自然干燥组创面水分蒸发量最大,,,,在早期为正常皮肤的19.05倍,,,,是湿疗组的15.72倍。。。。

若是纯粹从避免体液丧失这个角度看,,,,烧伤创面涂凡士林或应用MEBO都能显着镌汰创面体液丧失。。。。但已有实验批注,,,,岂论是比照组的“干燥”,,,,照旧凡士林所造成的“过湿”,,,,都对创面造成了严重损伤。。。。由此看来,,,,烧伤早期应用MEBO,,,,一方面可以有用地阻止创面水分蒸发,,,,镌汰体液丧失,,,,降低烧伤休克的爆发率,,,,利于休克苏醒;;;;;另一方面可以有用地保唬;;;ご疵妗梆鲋痛弊橹,,,,避免创面爆发举行性损伤。。。。

2.液化期 所谓液化期是指烧伤创面坏死组织在MEBO的作用下,,,,以由表及里的液化方法扫除创面最先,,,,至创面坏死组织排尽所履历的时间,,,,为MEBT所特有。。。。本实验湿疗组34个创面,,,,液化最先及液化竣事的平均时间划分为2.59天、11.35天,,,,以此为标准,,,,对凡士林组及比照组创面伤后3天至11天水分蒸发量也做响应的视察统计。。。。效果:比照组创面水分蒸量随时间的推移逐渐下降;;;;;而凡士林组创面水分蒸发量与伤后早期相比无显着转变(P>0.05);;;;;湿疗组随创面坏死组织液化速率加速,,,,水分蒸发量增高,,,,液化岑岭时其蒸发量也达最高水平,,,,与烧伤早期相比增添47%,,,,为正常皮肤的1.75倍,,,,但与比照组相比仍低得多,,,,在液化岑岭期仅为比照组的1/6。。。。实验中我们还发明,,,,若是创面上MEBO已被耗尽而又没有实时增补涂药,,,,创面水分蒸发量会大幅度上升,,,,造成创面干燥损伤,,,,且这种“半干不湿”的创面则更易爆发熏染。。。。

液化期爆发上述征象的机制为:MEBO为单软膏,,,,在未爆发治疗作用以前亲脂性强,,,,使其能与烧伤组织细密连系,,,,从而有用地阻止创面水分蒸发。。。。当MEBO与创面坏死组织爆发作用以后,,,,形成了水溶性的“液化物”,,,,亲脂性消逝,,,,对创面不再具有保唬;;;ぷ饔。。。。MEBO这种性子的转变具有很是主要的意义:一方面,,,,亲脂性利于药物与创面坏死组织、创面渗透物、渗透物及代谢产品等爆发化学作用;;;;;另一方面,,,,亲脂性消逝使形成的“液化物”自动脱离创面,,,,实现了创面自动引流的通畅。。。。虽然随液化反应的增强,,,,创面水分蒸发量也有所上升,,,,但只要实时扫除液化物,,,,做到创面不缺药,,,,完全可以使机体在正常饮食状态下生涯,,,,而不需要天天另外增补更多的水分。。。。这在临床上对避免烧伤后期高渗性脱水及电解质杂乱很是有意义。。。。

3.修复期 修复期是烧伤创面修复的要害时期。。。。湿疗组随创面液化物镌汰及上皮的生长,,,,水分蒸发量逐渐下降至烧伤早期水平,,,,两者比照无显着差别(P>0.05)。。。。湿疗组水分蒸发量的镌汰利于创面坚持湿润,,,,创面不爆发浸渍,,,,说明MEBO具有优异的“透气性”,,,,这一时期就靠MEBO的“保水性”与“透气性”的对立统一,,,,来实现烧伤创面在心理情形下的再生与修复。。。。

比照组创面被厚厚的干痂笼罩,,,,缩短显着;;;;;创面水分蒸发量进一步镌汰,,,,但与统一时期的湿疗组蒸发量相比仍高得多,,,,约为湿疗法的7.78倍。。。。这就是临床上导致大面积烧伤休克期后高渗性脱水的主要缘故原由之一。。。。

凡士林组由于创面大部分爆发熏染,,,,进入修复期未进一步监测。。。。

创面愈合后,,,,湿疗组水分蒸发量基本恢复到伤前水平,,,,比照无显着差别(P>0.05)。。。。而比照组水分蒸发量仍比伤前正常皮肤高得多,,,,约为正常皮肤的3.60倍。。。。我们以为与下列因素有关:①兔的皮肤汗腺少,,,,正常皮肤的水分蒸发量与其组织结构关系较亲近,,,,而受汗腺滋扰。。。。唬;;;②湿疗组愈合后皮肤结构较量完整,,,,瘢痕组织少,,,,并且刚愈合的创面组织中皮脂腺增生、功效活跃、毛细血管增生少;;;;;比照组上皮化愈合,,,,增生的瘢痕组织中毛细血管增生显着,,,,无皮肤的隶属器再生。。。。

(蒲志彪 等)

【网站地图】【sitemap】